股票代码  003021
主页 > 预售产品 > 高性能电机系列 > 10mm高性能电机(256)
概述

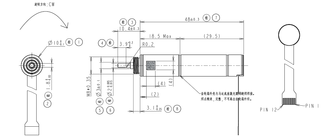
10mm高性能电机(256)

产品型号:ZWSMD010010-256-01

外直径(mm):10

总长度(mm):129±15%

减速比:64:1

额定电压(VDC):3.7

空载电流(mA MAX.REF):260

空载转速(RPM):359±12%

额定负载(gf.cm):750

额定转速(RPM):313±12%

额定电流(mA MAX):116±15%

最大力矩(gf.cm):4500

空载噪音:稳定后不超出55dB(侧面30CM,无防风罩测试)

空载回差(°MAX):2.5

*注:以上具体参数可根据客户要求定制。

设计图纸

热门产品查看更多

资料下载

10mm高性能电机(256)规格书

j9国际站登录 — 微型驱动系统制造商

专注于研发、生产精密驱动系统,为客户提供智能驱动方案设计,零件的生产与组装的定制化服务

立即咨询  >

粤ICP备11019966号     Copyright ? 2023  深圳市j9国际站登录机电股份有限公司  

粤ICP备11019966号
Copyright  2023  深圳市j9国际站登录机电股份有限公司

400-066-2287
服务热线


线

服务热线:400-066-2287
sitemap地图