股票代码  003021
主页 > 预售产品 > 高性能电机系列 > 22mm高性能电机(43)
概述

22mm高性能电机(43)

产品型号:ZWSMD022022-43

外直径(mm):22

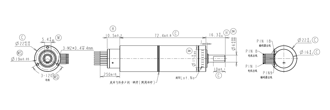
总长度(mm):72.4±0.8

减速比:43:1

额定电压(VDC):24

空载转速(RPM):163±15%

空载电流(mA MAX.REF):90

额定负载力矩(N.M):0.55

额定负载转速(RPM):126±15%

额定负载电流(mA MAX.REF):750

堵转力矩(N.M MIN):2.1

噪音:-稳定后不超出48dB(侧面30CM,无防风罩测试)

空载回程差(°MAX):0.5

电机出线PIN脚定义
PIN 1 绕组C 黄色
PIN 2 绕组B 橙色
PIN 3 绕组A 褐色
PIN 4 GND 黑色
PIN 5 霍尔传感器A 绿色
PIN 6 霍尔传感器A 灰色
PIN 7 霍尔传感器A 蓝色
PIN 8 Udd(+5V) 红色
编码器出线PIN脚定义
PIN 9 不连接
PIN 10 Vcc
PIN 11 接地
PIN 12 不连接
PIN 13 通道A-
PIN 14 通道A
PIN 15 通道B-
PIN 16 通道B
PIN 17 通道Z-
PIN 18 通道Z
电机参数
电机型号 SM022022-F01无刷空心杯马达
额定电压(V DC) 24
空载转速(RPM) 7100±10%
空载电流(mA REF) 100
额定负载力矩(G.CM) 155
额定负载转速(RPM) 5500±10%
额定负载电流(A MAX) 0.68
堵转电流(A MAX) 2.5
堵转力矩(G.CM MIN) 660
编码器参数
编码器型号 SM022022-P01
每圈计数 支持1~1024脉冲/圈
通道数 2~3
最高转速(转/分钟) 55000
工作电压(V) 3.3~5
工作电流(mA) 10
运行温度范围(℃) -40~125
*注:以上具体参数可根据客户要求定制。

设计图纸

热门产品查看更多

资料下载

22mm高性能电机(43)规格书

j9国际站登录 — 微型驱动系统制造商

专注于研发、生产精密驱动系统,为客户提供智能驱动方案设计,零件的生产与组装的定制化服务

立即咨询  >

粤ICP备11019966号     Copyright ? 2023  深圳市j9国际站登录机电股份有限公司  

粤ICP备11019966号
Copyright  2023  深圳市j9国际站登录机电股份有限公司

400-066-2287
服务热线


线

服务热线:400-066-2287
sitemap地图